В качестве блока А5 могут быть использованы следующие модули:

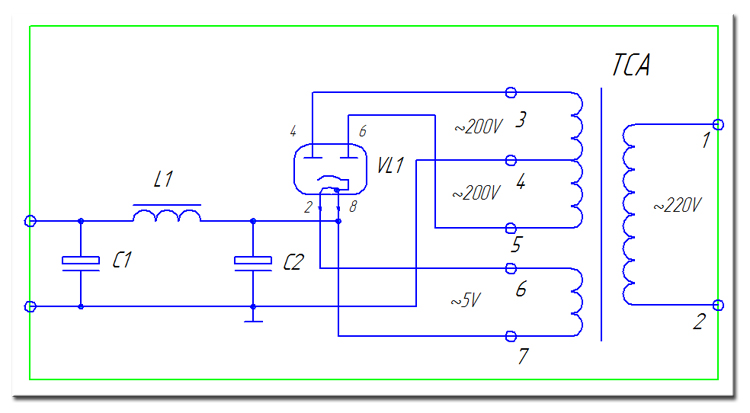
- Модуль 1
img_1
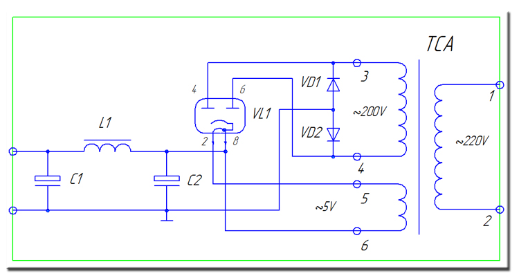
- Модуль 2
img_2
- Модуль 3
img_3
Спецификация

- Бюджет
sp_1
- Классика
sp_2
- VIP
sp_3
Спецификация
Спецификация