В качестве блока А0 могут быть использованы следующие модули:

- Модуль 1
img_1
- Модуль 2
img_2
- Модуль 3
img_3
      Сетевой фильтр позволяет исключить постоянную составляющую бытовой сети.
          Качество напряжения силовой сети оставляет желать лучшего, поэтому необходимо применять сетевые фильтры способные правильно отфильтровывать сетевое напряжение (не изменяя его синусоидальную форму устраняя асимметрию полуволн) и отсечь негативный постоянный ток.  
          Каждый силовой трансформатор имеет собственный сетевой фильтр и подключен к системе отсекающей постоянный ток. Разработаны и применяются две конструкции сетевого фильтра.
          Сетевой фильтр постоянной составляющей на плёночных конденсаторах и тороидальных (броневых, ш-образных) трансформаторах. Данные системы отсечки предотвращают намагничивание силовых трансформаторов, так как в общей бытовой сети ~220v присутствует постоянная составляющая тока, которая образуется при несимметричности половинок синусоиды сетевого напряжения и подмагничивает сердечник силового трансформатора насыщая его. Лёгкое перенасыщение силового трансформатора приводит к частичной потери мощности и искажает форму выходного напряжения, что негативно влияет на качество звука.
          Сетевой фильтр постоянной составляющей идеально выполняет работу фильтра, без недостатков последнего. Применение классического сетевого фильтра "тормозит" подачу энергии на мощные усилительные каскады, что приводит к понижению динамической активности усиливаемого сигнала. Однако классическая схема сетевого фильтра неплохо фильтрует помехи в маломощных каскадах усиления, но только в том случае, если мощность силового трансформатора превышает мощность потребления в 20 раз. Потому проще и лучше применить один общий мощный фильтр. 

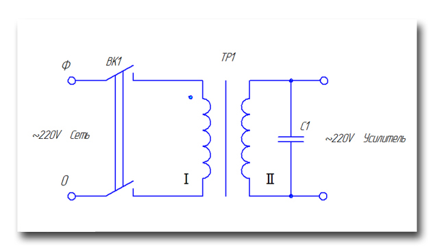
Простой сетевой фильтр
          На рисунке представлен простой и эффективный сетевой фильтр постоянной составляющей. Ёмкость конденсатора С1 зависит от индуктивности и потребляемой мощности силового трансформатора и находится в пределах 0.01 - 0.47мкф. Качество конденсатора фильтра очень здорово влияет на общий характер звука, так как он расположен между двумя разными индуктивностями (двойной колебательный контур). Вот почему необходимо уделять внимание всем применяемым компонентам и правильному фазированию трансформаторов.
          Качество фильтрации сетевых помех фильтра находится на самом высоком уровне, и по фильтрации напряжения такой фильтр превосходит классический - конденсатор / дроссель / конденсатор. Каждый трансформатор должен иметь подобный фильтр и звук преобразится до неузнаваемости, так сделано в наших усилителях мощности.

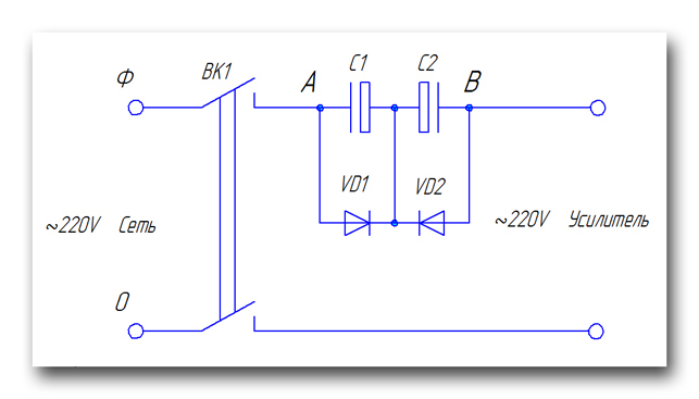
Усложненный сетевой фильтр
          На рисунке представлена схема фильтра в которой достаточно одного диода между точками "А" и "В", чтобы исключить воздействие постоянного тока на аудиосигнал. В слаботочных цепях диоды вообще можно не ставить, так как их роль выполняют сопротивления утечки электролитических конденсаторов. В данной схеме каждый конденсатор должен выбираться на рабочее напряжение, не меньшее амплитудного значения приложенного между точками "А" и "В" напряжения. Емкость каждого конденсатора должна быть в два раза больше требуемой.

Комбинированная схема сетевого фильтра.
          На рисунке представлена схема комбинированного сетевого фильтра.
          Фильтр постоянной составляющей силовой сети мало применяется в современном High-EndAudio производстве, так как дополнительно необходимо применять мощные трансформаторы и дорогостоящие неполярные конденсаторы.
          В данной схеме применяется сетевой фильтр без применения дорогостоящих неэлектролитических конденсаторов, но при этом обеспечивающий очень хорошее звучание усилителей. Представленный сетевой фильтр исключает постоянную составляющую бытовой сети, а так же осуществляет гальваническую развязку между усилителем и бытовой сетью, что благоприятно сказывается на воспроизведении аудиосигнала.
          Принципиальная схема комбинированного сетевого фильтра показана на рис.3. В схеме применен трансформатор (схемное обозначение ТР1) ОСМ-1-1,0 кВтимеющий коэффициент трансформации равным 1.
          Фильтр исключающий постоянную составляющую бытовой сети выполнен на неполярных конденсаторах С1, С2 и диодах VD3, VD4, VD5, VD6.
          Цепочка состоящая из диода VD1, сопротивления R3, светодиода VD2 позволяет осуществлять визуальный контроль (свечение светодиода VD2) включение фильтра выключателем ВК1.
          При включении выключателя ВК2происходит блокировка ограничивающих сопротивленийR1иR2, назначение которых заключается в ограничении большого пускового тока трансформатора ТР1 при включении выключателя ВК1.
          При включении выключателя ВК2 светодиод VD2 гаснет, тем самым визуально сигнализирует о блокировании ограничивающих сопротивлений R1 и R2.
          Ниже представлен перечень элементов используемых в комбинированном сетевом фильтре.

Спецификация