- TDA7294 типовое включение
img_1
- TDA7294 мостовое включение
img_2
|
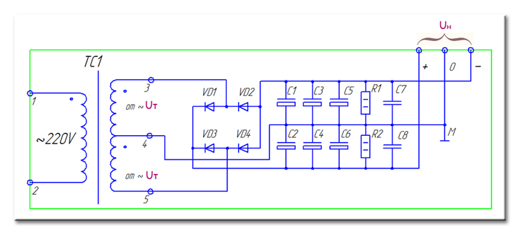
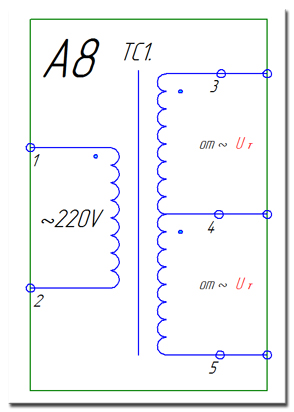
В связи с тем, что от выбранной Вами нагрузки зависит мощность Блока Питания Вам необходимо выбрать параметры Uн и Uт в соответствии с приведенной ниже таблицой.
| Выходная мощность усилителя, Вт |
Пиковая мощность усилителя,
Вт |
Нагрузка,
Ом |
Напряжение Uн,
В |
Напряжение Uт,
В |
| 30 |
50 |
4 |
+/- 15 |
2 - 11 |
| 30 |
50 |
6 |
+/- 19 |
2 - 14 |
| 30 |
50 |
8 |
+/- 23 |
2 - 17 |
| 45 - 50 |
60 |
4 |
+/- 20 |
2 - 14 |
| 45 - 50 |
60 |
6 |
+/- 24 |
2 - 17 |
| 45 - 50 |
60 |
8 |
+/- 28 |
2 - 20 |
| 60 |
100 |
4 |
+/- 25 |
2 - 17 |
| 60 |
100 |
6 |
+/- 29 |
2 - 21 |
| 60 |
100 |
8 |
+/- 31 |
2 - 22 |
| 70 |
100 |
4 |
+/- 27 |
2 - 19 |
| 70 |
100 |
6 |
+/- 31 |
2 - 22 |
| 70 |
100 |
8 |
+/- 35 |
2 - 25 |
| 80 |
100 |
4 |
+/- 35 |
2 - 25 |
| 80 |
100 |
6 |
+/- 39 |
2 - 28 |
| 80 |
100 |
8 |
+/- 41 |
2 - 29 |
| 100 |
120 |
4 |
+/- 40 |
2 - 29 |
| 100 |
120 |
6 |
+/- 41 |
2 - 29 |
| 100 |
120 |
8 |
+/- 44 |
2 - 31 |
В связи с тем, что от выбранной Вами нагрузки зависит мощность Блока Питания Вам необходимо выбрать параметры Uн и Uт в соответствии с приведенной ниже таблицой.
| Количество плат |
Выходная мощность усилителя, Вт |
Нагрузка,
Ом |
Напряжение Uн,
В |
Напряжение Uт,
В |
| 1 |
85 |
8 |
+/- 20 |
2 - 18 |
| 1 |
125 |
8 |
+/- 26 |
2 - 20 |
| 1 |
150 |
8 |
+/- 29 |
2 - 22 |
| 1 |
180 |
8 |
+/- 33 |
2 - 25 |
| 1 |
120 |
4 |
+/- 20 |
2 - 18 |
| 2* |
175 |
4 |
+/- 26 |
2 - 20 |
| 2* |
210 |
4 |
+/- 29 |
2 - 22 |
| 3* |
250 |
4 |
+/- 33 |
2 - 25 |
| 3* |
300 |
4 |
+/- 40 |
2 - 30 |
| *Количество мостовых плат TDA7294 соединенных параллельно (разработка автора) |
В связи с тем, что от выбранной Вами нагрузки зависит мощность Блока Питания Вам необходимо выбрать параметры Uн и Uт в соответствии с приведенной ниже таблицой.
| Выходная мощность усилителя, Вт |
Нагрузка,
Ом |
Напряжение Uн,
В |
Напряжение Uт,
В |
| 150 |
8 |
+/- 60 |
2 - 43 |
| 300 |
4 |
+/- 60 |
2 - 43 |
В связи с тем, что от выбранной Вами нагрузки зависит мощность Блока Питания Вам необходимо выбрать параметры Uн и Uт в соответствии с приведенной ниже таблицой.
| Выходная мощность усилителя, Вт |
Нагрузка,
Ом |
Напряжение Uн,
В |
Напряжение Uт,
В |
| 150 |
4 |
+/- 55 |
2 - 39 |
| 150 |
8 |
+/- 65 |
2 - 46 |
В связи с тем, что от выбранной Вами нагрузки зависит мощность Блока Питания Вам необходимо выбрать параметр Uт в соответствии с приведенной ниже таблицой.
| Выходная мощность усилителя, Вт |
Нагрузка,
Ом |
Напряжение Uт,
В |
| 200 |
4 |
2 - 28 |
| 100 |
8 |
2 - 28 |
В связи с тем, что от выбранной Вами нагрузки зависит мощность Блока Питания Вам необходимо выбрать параметры Uн и Uт в соответствии с приведенной ниже таблицой.
| Выходная мощность усилителя, Вт |
Нагрузка,
Ом |
Напряжение Uн,
В |
Напряжение Uт,
В |
| 60 |
8 |
+/- 40 |
2 - 28 |
| 68 |
4 |
+/- 28 |
2 - 20 |
В связи с тем, что от выбранной Вами нагрузки зависит мощность Блока Питания Вам необходимо выбрать параметры Uн и Uт в соответствии с приведенной ниже таблицой.
| Выходная мощность усилителя, Вт |
Нагрузка,
Ом |
Напряжение Uн,
В |
Напряжение Uт,
В |
| 100 |
8 |
+/- 50 |
2 - 36 |
| 200 |
4 |
+/- 50 |
2 - 36 |
|