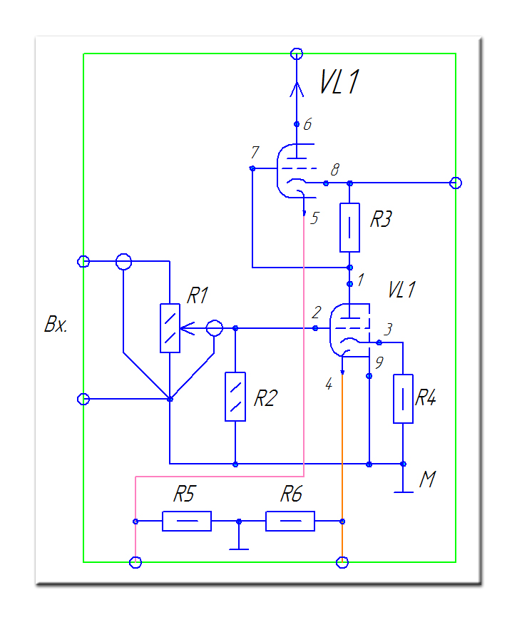
CРПП
Другие названия: m - повторитель (или мю-повторитель), каскад с динамической нагрузкой.
Преимущества:
- низкое выходное сопротивление (оценочное значение для однотипных ламп 0,25 Ri ;
- низкий уровень нелинейных искажений;
- малая чувствительность к пульсациям напряжения питания;
- коэффициент усиления ближе к m (мю) лампы, чем у каскада с нагрузкой в аноде;
- возможности улучшения ряда параметров с помощью незначительных схемотехнических изменений.
Недостаки:
- отдельные варианты каскада довольно сложны;
- высокое напряжение между катодом и подогревателем;
- некоторые специалисты считают звучание каскада "транзисторным, сухим, плоским".
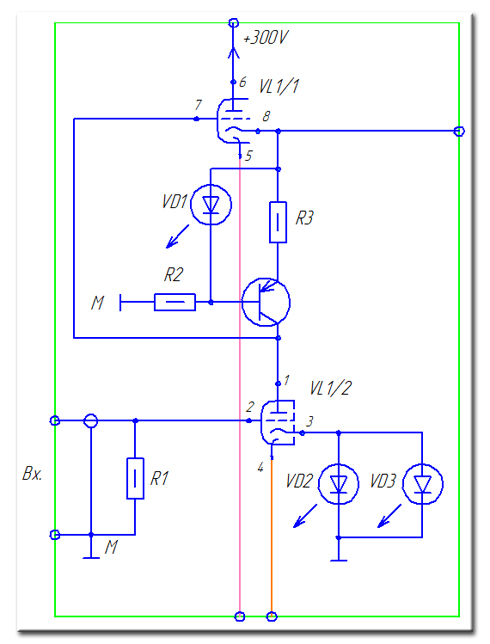
В катодной цепи для обеспечения автоматического смещения работы лапового каскада устанавливаются два красных светодиода повышенной яркости (колба диаметром 5 мм).
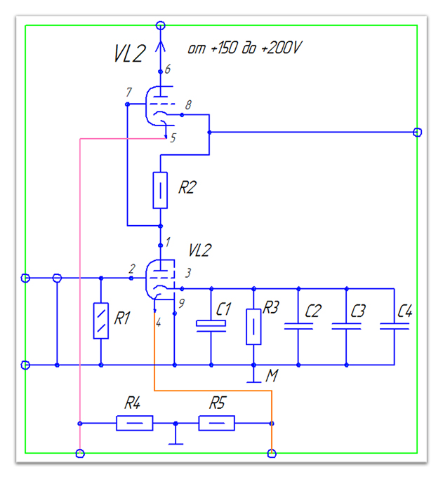
При незначительном изменении каскада СРПП представленного в модуле 3 путем добавления в схему ГСТ (генератор стабильного тока) получим каскад СРПП с более улучшенными линейными характеристиками выходного сигнала.
Замечу, что динамическое (дифференциальное) сопротивление двух красных светодиодов достаточно мало, что позволяет отказаться от электролитических конденсаторов для исключения местной ООС (отрицательная обратная связь).