Собираем УСИЛИТЕЛЬ на плате LM 4702
Актуален ТОЛЬКО для Варианта 1
- 1 действие:
Преджде всего Вам необходимо купить плату LM 4702 как готовое изделие. Например, на сайте - https://ru.aliexpress.com

- 2 действие:
Собираем Сетевой Фильтр.

- Модуль 1
ksp_1
- Модуль 2
ksp_2
- Модуль 3
ksp_3
- 3 действие:
Собираем Блок Питания для ламповых усилителей напряжения.

- Модуль 1
sp_1
- Модуль 2
sp_2
- Модуль 3
sp_3
- 4 действие:
Собираем усилитель напряжения блок А1.

- Модуль 1
rsp_1
- Модуль 2
rsp_2
- Модуль 3
rsp_3
- Модуль 4
rsp_4
- 5 действие:
Собираем регулятор тембра.

- Модуль 1
ktb_1
- Модуль 2
ktb_2
- 6 действие:
Собираем усилитель напряжения блок А3.

- Модуль 1
kssp_1
- Модуль 2
kssp_2
- Модуль 3
kssp_3
- Модуль 4
kssp_4
- 7 действие:
Покупаем Трансформатор Накальный.
- 8 действие:
Покупаем аккустическую систему. Замечу - пассивную аккустическую систему.
- 9 действие:
Собираем Блок Питания для УСИЛИТЕЛЯ
В связи с тем, что от выбранной Вами нагрузки зависит мощность Блока Питания Вам необходимо выбрать параметр в соответствии с приведенной ниже таблицой.

Выходная мощность усилителя, Вт Нагрузка,
Ом
Напряжение ,
В
200 4 2 - 28
100 8 2 - 28
- 10 действие:
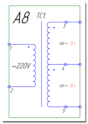
Покупаем Трансформатор для Блока Питания УСИЛИТЕЛЯ.
На нашем сайте Вы можете ЗАКАЗАТЬ:
- Спецификацию (номиналы) для принципиальной схемы Сетевого Фильтра(А0).
- Печатную Плату для принципиальной схемы Сетевого Фильтра(А0).
- Спецификацию (номиналы) для принципиальной схемы Усилителей Напряжения (А1).
- Печатную Плату для принципиальной схемы Усилителей Напряжения (А1).
- Спецификацию (номиналы) для принципиальной схемы Регулятора тембра (А2).
- Печатную Плату для принципиальной схемы Регулятора тембра (А2).
- Спецификацию (номиналы) для принципиальной схемы Усилителей Напряжения (А3).
- Печатную Плату для принципиальной схемы Усилителей Напряжения (А3).
- Спецификацию (номиналы) для принципиальной схемы Блока Питания для ламповых усилителей напряжения (А5).
- Печатную Плату для принципиальной схемы Блока Питания для ламповых усилителей напряжения (А5).
- Спецификацию (номиналы) для принципиальной схемы Усилителя Мощности (А7).
- Печатную Плату для принципиальной схемы Усилителя Мощности (А7).
- Спецификацию (номиналы) для принципиальной схемы Блока Питания усилителя мощности (А8).
- Печатную Плату для принципиальной схемы Блока Питания усилителя мощности (А8).

- Конструктор 2 уровень:
......Конструктор предназначен для людей, которые НИКОГДА не собирали УСИЛИТЕЛЬ самостоятельно!
......В состав конструктора входят:
............- печатная плата сетевого фильтра,
............- полный перечень элементов схемы сетевого фильтра,
............- трансформатор сетевого фильтра,
............- полный перечень элементов схемы блока питания для ламповых усилителей напряжения,
............- печатная плата регулятора тембра,
............- полный перечень элементов схемы регулятора тембра,
............- трансформатор ТСА,
............- печатная плата усилителя напряжения,
............- полный перечень элементов схемы усилителя напряжения,
............- трансформатор накальный,
............- плата LM 4702,
............- трансформатор ТС1,
............- печатная плата блока питания усилителя мощности,
............- полный перечень элементов схемы блока питания усилителя мощности,
............- корпус усилителя.
Звоните : 8 - 988 - 46 - 18 - 311